Willkommen auf
der Webseite von Speedtriple1200
ENDSTUFEN
Elektronik spielt eine zentrale
Rolle in der Welt der Audioverstärkung, insbesondere bei Audio-Endstufen. Diese
entscheidenden Komponenten nehmen das elektrische Signal von einer Audioquelle auf
und verstärken es, um es an Lautsprecher zu liefern. Die Qualität und
Leistungsfähigkeit einer Audio-Endstufe beeinflussen maßgeblich die
Klangwiedergabe und damit das Hörerlebnis.
Moderne Audio-Endstufen nutzen
eine Vielzahl von elektronischen Komponenten und Schaltungen, um eine präzise
und verzerrungsfreie Verstärkung zu erreichen. Transistoren und integrierte
Schaltkreise sind die grundlegenden Bausteine, die das elektrische Signal
verstärken. Dabei können verschiedene Verstärkertopologien wie Class-A,
Class-AB, Class-D und Class-H verwendet werden, wobei jede ihre eigenen Vor-
und Nachteile hinsichtlich Effizienz, Wärmeentwicklung und Klangqualität hat.
►
Class A-Endstufen gelten als die reinste Form
der Verstärkung. Sie arbeiten kontinuierlich und liefern ein unverfälschtes
Signal, da die Transistoren in der Endstufe immer aktiv sind, unabhängig von
der Signalamplitude. Dies führt zu einem linearen und verzerrungsfreien Klang,
der besonders bei Audiophilen beliebt ist. Allerdings haben Class A-Endstufen
den Nachteil eines geringen Wirkungsgrades und erzeugen daher viel Wärme, was
ihre Effizienz beeinträchtigt und die Betriebskosten erhöht.
►
Class A/B-Endstufen sind eine
Weiterentwicklung von Class A-Endstufen und kombinieren die Effizienz von Class
B-Endstufen mit der Klangqualität von Class A. Sie verwenden zwei separate
Schaltungen für positive und negative Signalhälften, wobei jede Hälfte von
einem eigenen Satz von Transistoren verstärkt wird. Dies ermöglicht eine
verbesserte Effizienz im Vergleich zu reinen Class A-Endstufen, da die
Transistoren nur dann aktiv sind, wenn ein Signal vorhanden ist. Class
A/B-Endstufen sind weit verbreitet in Hi-Fi-Systemen und bieten eine gute
Balance zwischen Klangqualität und Energieeffizienz.
►
Class D-Endstufen, auch als Digitalverstärker
bekannt, arbeiten durch das schnelle Schalten von Transistoren, um das
Eingangssignal zu modulieren. Diese Art von Verstärkern bietet eine hohe
Effizienz und geringe Wärmeerzeugung, was sie ideal für den Einsatz in
tragbaren Audiogeräten und für den mobilen Einsatz im PA-Bereich macht.
Allerdings können sie bei einigen Audiophilen wegen potenzieller
Klangverfälschungen aufgrund des Schaltprozesses weniger beliebt sein.
►
Class H-Endstufen sind eine Variation von
Class AB, die mehrere Versorgungsspannungen verwenden, um die Energieeffizienz
zu verbessern. Durch die Anpassung der Versorgungsspannung an das
Eingangssignal wird der Wirkungsgrad optimiert, während gleichzeitig eine gute
Klangqualität beibehalten wird.
Die Qualität der Bauteile, die in einer
Audio-Endstufe verwendet werden, ist entscheidend für ihre Leistung.
Hochwertige Widerstände, Kondensatoren und Transformatoren tragen dazu bei,
Rauschen und Verzerrungen zu minimieren und eine präzise Signalverarbeitung
sicherzustellen. Darüber hinaus können fortschrittliche Schaltungsdesigns wie
Rückkopplungsschleifen, Schutzschaltungen und Impedanzanpassungen dazu
beitragen, die Stabilität und Zuverlässigkeit der Endstufe zu verbessern.
Ein weiterer wichtiger Aspekt bei Audio-Endstufen
ist ihre Leistungsfähigkeit und Effizienz. Effiziente Endstufen wandeln einen
Großteil der zugeführten Energie in akustische Leistung um, wodurch weniger
Energie in Form von Wärme verloren geht. Dies ist besonders wichtig bei
leistungsstarken Verstärkern, die große Lautsprecher antreiben oder in
professionellen Audioumgebungen eingesetzt werden.
Zusätzlich zur reinen Verstärkungsfunktion
können moderne Audio-Endstufen auch eine Vielzahl von Zusatzfunktionen bieten,
darunter Equalizer, Limiter, Überlastschutz und drahtlose
Konnektivitätsoptionen. Diese Funktionen erweitern die Flexibilität und
Funktionalität der Endstufe und ermöglichen es Audioprofis und Enthusiasten,
ihre Klangerfahrung anzupassen und zu optimieren.
Insgesamt ist Elektronik ein unverzichtbarer
Bestandteil von Audio-Endstufen, die für eine präzise, verzerrungsfreie
Verstärkung von Audiosignalen sorgen. Durch die Nutzung modernster
elektronischer Komponenten und Schaltungen können Audio-Enthusiasten und Profis
ein herausragendes Hörerlebnis genießen, das den Klang ihrer Lieblingsmusik und
-filme in vollem Umfang zur Geltung bringt.
!! ACHTUNG LEBENSGEFAHR !!
Die
folgenden Absätze zeigen geöffnete Audioendstufen.
Alle
Arbeiten an elektrischen oder elektronischen Geräten dürfen ausschließlich von
sachkundigen Personen durchgeführt werden.
Alleine
beim Öffnen von Gehäusen elektrischer oder elektronischer Geräte besteht
Lebensgefahr!
Unter
keinen Umständen darf an elektrischen oder elektronischen Geräten Veränderungen
oder Messungen durchgeführt werden,
wenn
die durchführende Person über keine entsprechende Ausbildung verfügt!
Auch
bei abgeschalteten und vom Stromnetz getrennten Geräte kann im Inneren Spannung
gespeichert sein!
MEIN ENDSTUFEN-SETUP
Mir persönlich ist es wichtig,
dass meine Endstufen einen guten elektrischen Aufbau haben und mechanisch
hochbelastbar sind, sie müssen sozusagen begehbar sein. Diese Macke habe ich
von meinem Schwager übernommen, obwohl der noch penibler wie ich auf alles
achten. Der Unterschied zwischen einer Stereo- und Doppelmono-Endstufe besteht
im Aufbau. Die Stereoversion besitzt meist ein Netzteil für beide Kanäle und
die Elektronik der beiden Kanäle sitzen auf einer Platine, bei der
Doppelmono-Endstufe sind beide Kanäle komplett voneinander getrennt, elektrisch
wie auch mechanisch und besitzen auch zwei voneinander getrennte Netzteile. Das
einzige was beides miteinander Verbindet ist das Gehäuse und die
Spannungsversorgung.
40 Jahre alte
Doppel-Mono-Endstufe im reinen Class-A Betrieb (~2x 20W RMS). Das Foto der
geöffneten Endstufe wurde nach Erneuern aller Netzteil-Kondensatoren und
Kondensatoren der Audio-Platinen gemacht. Der Ruhestrom wurde für den Claas A
Betrieb erhöht. Die Endstufe ist für den Mitteltonbereich (~500-6000 Hz) der
rechten und linken Hauptkanälen zuständig. Das Gehäuse wurde meinem Schwager
vor 40 Jahren aus einer 15 mm U-förmigen Aluminiumwanne als Kühlkörper und
Aluminiumprofilen aus dem Fensterbau gefertigt. Der Deckel wurde aus Lochblech
gefertigt und zum Schluss verchromt.

25 Jahre alte Mono-Endstufe (2
Stück) (~2x 20W RMS), neu Aufgebaut im neuem gekauften Gehäuse. Ruhestrom wurde
erhöht wodurch die Endstufe im reinen Class-A Betrieb für den Hochtonbereich
(ab ~6000 Hz) der beiden rechten und linken Hauptkanäle läuft.

Aufbau einer neuen
Doppel-Mono-Endstufe (~2x 800W RMS) im Class-A/B Betrieb für den Tieftonbereich
(~100-500 Hz) der Hauptkanäle rechts und links. Die Endstufe wurde mit zwei Doppelspannungs-Netzteilen
mit zwei 65V 1000VA Ringkerntrafos und 8 Kondensatoren je 100V 25000µF
versehen.

Die 16A Haussicherung löste bei
jedem Einschalten für den ersten Testlauf aus. Die beiden Ringkerntrafos
verursachten, bis zum Aufbau des Magnetfeldes, für Millisekunden einen
Kurzschluss. Abhilfe schaffte eine Strombegrenzung, die nachträglich eingebaut
wurde. Die Endstufe besitzt keinen Schalter, das Ein- und Ausschalten wird von
der Smart-Homesteuerung übernommen.

Das Gehäuse der Endstufe hat eine
imposante Größe und ein hohes Gewicht.

Das Audiosignal der beiden Kanäle
für rechten und linken Hauptlautsprecher werden über einen DSP in Bass-,
Mittel- und Hochton aufgeteilt und an die drei zuvor genannten Endstufen
weitergeleitet, um dann die Bass-, Mittel- und Hochtonlautsprecher mit
verstärktem Audiosignal zu versorgen. Über den DSP lassen sich Trennfrequenzen,
Laufzeiten und die Frequenzgänge der rechten und linken Kanäle über viele
Einstellungen anpassen.
Aufbau einer neuen Mono-Endstufe
(~ 2x 45W RMS) im reinen Class-A Betrieb mit hohem Ruhestrom für den
Centerlautsprecher. Die Endstufe wurde mit einem Doppelspannungs-Netzteil mit
einem 2x 45V 450VA Ringkerntrafo und 6 Kondensatoren je 63V 15000µF versehen.
Die Endstufe besitzt keinen Schalter, sie wird über Smart-Homesteuerung ein-
bzw. ausgeschaltet.


Die Lautsprecher für Surround
rechts und links werden momentan mit Audiosignal einer fünften Stereo-Endstufe
(~2x 300W RMS) versorgt. Die Endstufe besitzt einen Schalter aber auch diese
wird über Smart-Homesteuerung ein- bzw. ausgeschaltet. Es ist diesmal kein
Eigenbau, sondern versuchsweise eine kleine Claas-D Endstufe mit selbst
ausgewähltem und ausgelagertem 48 Volt 20 Ampere Schaltnetzteil. Sehr
verwunderlich was man der kleinen „Powerschachtel“ abverlangen kann, denn
schließlich hat Endstufe eine Größe von nur vier Zigarettenschachtel und kostet
nur 1/10 von einer großen Eigenbau Claas-A/B Endstufe. Für die Hauptkanäle oder
die Centerbox würde ich sie trotzdem nicht verwenden. Stimmen sind nicht sauber
und bei Musik kommen die Instrumente nicht gut differenzierbar und flach beim
Hörer an. Eine entsprechend große Claas-A/B-Endstufen spielt dagegen wesentlich
feindifferenzierender und luftiger. Ich werde über kurz oder lang wieder auf
eine Doppel-Mono-Endstufe im Claas-A Betrieb umswitchen. Der klare Vorteil der
kleinen „Power-Box“ liegt im günstigem Preis von ca. 170 Euro inkl. Netzteil
und der kleinen Abmessungen. Als Verstärker für PC-Anwendungen ist der AIYIMA
07 mit geeignetem Netzteil nur zu empfehlen.

Fertig aufgebautes 48 Volt
Netzteil mit 20 Ampere. Der Lüfter läuft ausschließlich bei extremer Belastung,
die ich noch nicht für die Surround-Kanäle erreicht habe.

Die beiden 18“ (46mm) Subwoofer
(bis ~100 Hz) werden mit Audiosignal einer sechsten 30 Jahre alten Class-A/B
Doppel-Mono-Endstufe (MOS-FET) (~2x 300W RMS) versorgt. Die Endstufe ist mit 2x
65V 450VA Ringkerntrafos und mit 12 Kondensatoren a 100V 10000µF ausgestattet.
Außerdem wurde eine Strombegrenzung verbaut, um das Auslösen der Haussicherung
beim Einschalten zu unterbinden. Die Endstufe besitzt keinen Schalter, sie wird
über Smart-Homesteuerung ein- bzw. ausgeschaltet.


Eine PA-Endstufe (PWM) (~2x 1200W
RMS) Class-D für die Speisung von 4 Körperschallwandler (bis ~100 Hz) unter dem
Sofa. Die PWM-Endstufe verfügt über Schaltnetzteil mit hoher Leistung. Die
Abmessungen der Endstufe sind klein (1HE) und die Wärmeentwicklung gering. Die
Endstufe wird über Smart-Homesteuerung ein- bzw. ausgeschaltet.

Ein großer Nachteil sind die vier
ständig mitlaufenden Lüfter, welche im PA-Betrieb sicherlich nicht stören. Im
HiFi-Betrieb bzw. Surround-Betrieb bei kleiner Lautstärke werden sie jedoch als
sehr störend empfunden. Eine Nachrüstung auf elektronische Lüfter-Regelung
schaffte Abhilfe. So laufen die vier Lüfter im Normalbetrieb nicht und schalten
erst ein, wenn der Endstufe eine hohe Leistung für einen Schallpegel jenseits
der Zimmerlautstärke abverlangt wird, hier sind die Lüfter nicht mehr zu hören.

Für die 4 Kanäle Hinten Oben und
Vorne Oben entschied ich mich für Aktiv-Lautsprecher von Canton,
bei diesen wird das Audiosignal kabellos
vom Canton DSP-Prozessor übertragen und auch das Schalten in den Ruhemodus und
das Aufwecken wird vom Prozessor kabellos übernommen.
Gleiche LS-Boxen habe ich auch
für die Surround-Beschallung an meinem Simulator verwendet.

Lautsprecher mit zusätzlichen
Endstufen für die 2 Kanäle Mitte Oben folgen und sind noch nicht vorhanden.
Wahrscheinlich wird nach
Fertigstellung meines neuen Projekts alle Endstufen einen neuen Frequenzbereich
oder Surround-Kanal zugeordnet.
Die neue Doppel-Mono-Endstufe wird
für den Frequenzbereich der Subwoofer verwendet.
!! ACHTUNG LEBENS- und
BRAND-GEFAHR !!
Die
folgenden Absätze beschreiben und zeigen einen Schaltplan eines
3-Phasen-Netzteils, welches momentan nur auf dem Papier besteht.
Auch
hier gilt, der Nachbau darf ausschließlich von sachkundigen Personen
durchgeführt werden.
Nachbau
und Anschluss an das Hausstromnetz kann zu Störungen im Hausstromnetz führen
und stellt eine Brand- und Lebensgefahr dar.
Bei
Eigenbauten im Elektrobereich sollte immer ein Elektro-Meister oder
Elektro-Ingenieur zu Rate gezogen werden.
Meist
ist nicht die Frage ob das Vorhaben realisierbar ist, sondern ist es auch
sicher und entspricht es den Normen.
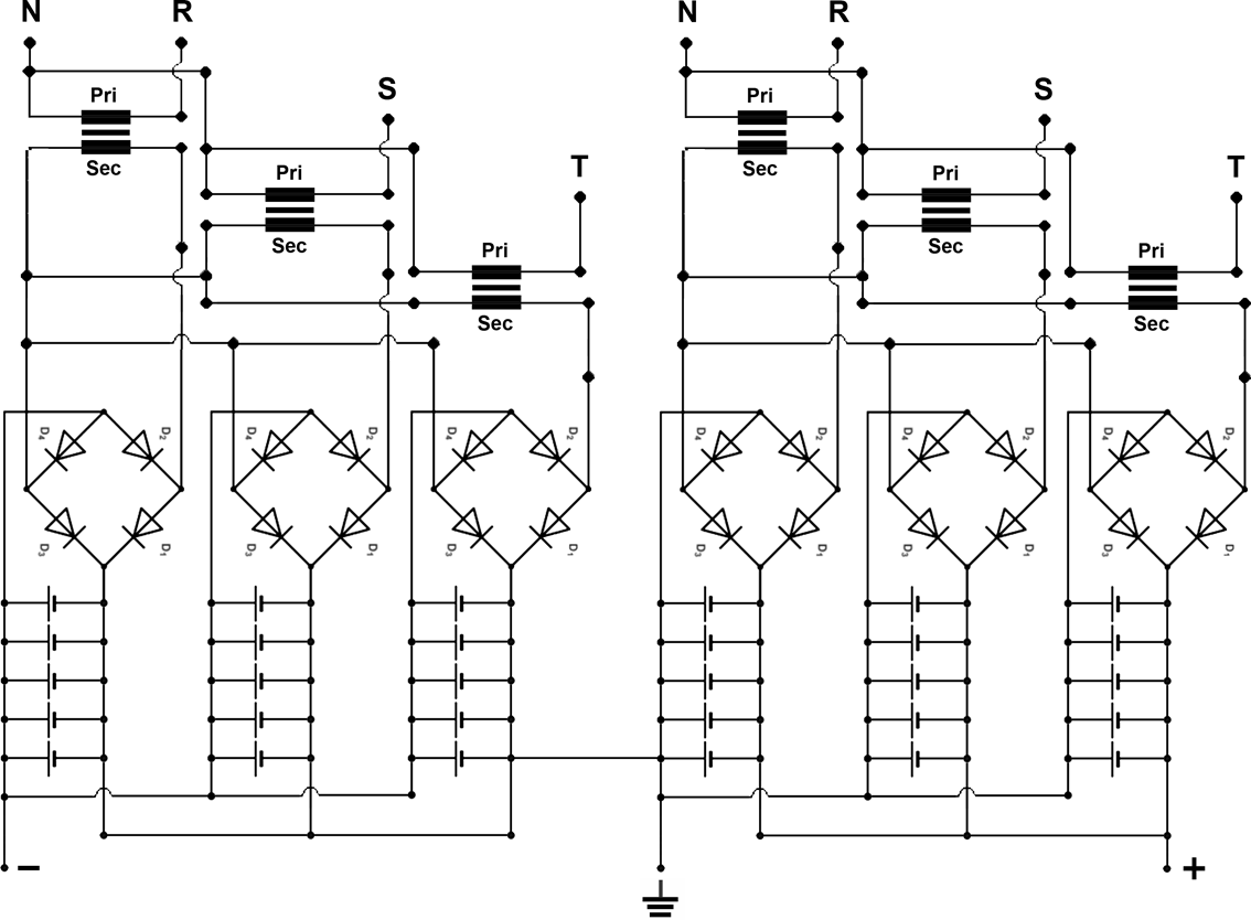
Nächstes Bastelobjekt wird eine Doppel-Mono-Endstufe
(MOS FET) im Claas-A Betrieb mit 200W (RMS) und einem Netzteil, welches alle
meine früheren Verrücktheiten in den Schatten stellt. Die Endstufe bekommt ein
mit Drehstrom (3 Phasen 400 Volt) gespeistes Netzteil, hierbei sind die Phasen um
120 Grad versetzt (siehe Abb.
Dreiphasen-Wechselspannung). Dagegen wird eine herkömmliche 230 Volt
Endstufen mit nur einer Phase betrieben. Der Vorteil liegt, meiner Meinung nach
bei 3 Phasen, in den kleineren Tälern zwischen den Spannungsspitzen, die mit
Glättungskondensatoren „gefüllt“ werden müssen, gut zu sehen im direkten
Vergleich (siehe unten). Bei gleicher Kondensatorgröße ist der verfügbare Strom
bei Netzteilen mit 3 Phasen um ein vielfaches höher. Wenn ein Bassimpuls,
welcher einen hohen Strom benötigt, genau im Tal zwischen den Spitzen
stattfindet, kann die abgegebene Spannung, je nach Höhe der
Endstufen-Versorgungsspannung, bis zu ca. 10 Volt zusammenbrechen.
Einphasen-Wechselspannung
(360° Darstellung)

Dreiphasen-Wechselspannung
(360° Darstellung)
Die 3
Phasen sind um 120 Grad versetzt (360°/3=120°)

Einphasen-Gleichspannung
(360° Darstellung)

Gleichspannung
aus Dreiphasen-Wechselspannung (360° Darstellung)
Spannungsspitzen
sind um 60 Grad versetzt

Täler bei
Einphasen-Gleichspannung (360° Darstellung)

Täler
bei Gleichspannung aus Dreiphasen-Wechselspannung (360° Darstellung)

Transformatoren lassen sich
verschieden Verschalten, Es gibt z.B. Stern-Dreieck, Dreieck-Dreieck,
Dreieck-Stern und die Verschaltung Stern-Stern, für die ich mich entschieden
habe. Hierbei werden keine Spezialtrafos benötigt, was den Aufbau der Netzteile
erheblich günstiger macht. Stern-Stern bedeutet, dass jeweils eine Anzapfung
der Trafoeingänge mit einer Phase der 3-Phasen-Wechselspannung (R S T)
verbunden werden und die verbleibenden drei Anzapfungen der Trafoeingänge
werden miteinander verbunden und dienen bei mir zum Anschluss des Nullleiters,
da ich die Endstufe auch für 230 Volt Wechselspannung tauglich machen möchte,
indem ich die Anschlüsse (R S T) miteinander verbinde und die Endstufe dann
über 230 Volt Haussteckdose betreiben kann. Bei den Ausgängen sieht es ähnlich
aus auch hierbei ist jeweils eine Anzapfung pro Trafoausgang miteinander
verbunden und dienen der gemeinsamen Masse im Netzteil. Bei den drei
verbleibenden Anzapfungen der Trafoausgänge wird jeweils ein Gleichrichter und
Kondensatorpakete gegen gemeinsame Masse dahinter angeschlossen. Ich habe mich
für Brückengleichrichter mit Gehäuse entschieden, da diese leicht zu befestigen
sind. Das Netzteil muss über eine Gesamtgleichspannung von 160 Volt bzw. je
Plus- und Minus-Spannung 80 Volt zur Verfügung stellen. Für die 2 Netzteile
einer Doppelmono-Endstufe werden 12 Trafos, 12 Brückengleichrichter im eigenen
Gehäuse und 60 Kondensatoren mit je 25.000µF und einer Spannungsfestigkeit von
100 Volt benötig, was alleine die Gehäusegröße, alles von mir zuvor
angefertigte, aus dem Rahmen fallen lässt, mal abgesehen von den eigentlichen
zwei Endstufenmodulen aber dazu später mehr.
